|
| 使用环境条件:温度-40度-80度,相对湿度不大于90%(25度时)海拔高度2500mm |
| 型号 |
电压(V) | 频率Hz | 相数 |
输入功率W | 电流AMP | 转速r/min | 风量m3/min | 噪音db | 重量kg | 电容uF/v | 轴承型式Bearing Type |
| 150FLJ3(N) |
380 |
50 |
3 |
150 |
0.35 |
2600 |
4.5 |
72 |
6.0 |
3/250 |
G |
| 150FLJ4(N) |
220 |
50 |
1 |
150 |
0.70 |
2600 |
4.5 |
72 |
6.0 |
2/400 |
G |
|
| |
 |
 |
|
|
| 使用环境条件:温度-40度-80度,相对湿度不大于90%(25度时)海拔高度2500mm |
| 型号 |
电压(V) | 相数 | 输入电流 | 频率Hz |
输入功率W | 转速r/min | 风量m3/min | 静压Pa | 噪音db | 重量kg | 电容uF/v | 轴承型式Bearing Type |
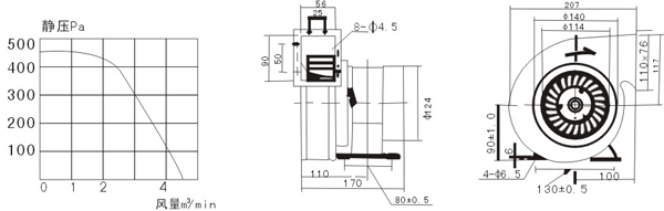
| 150FLJ5(N) |
380 |
3 |
50 |
0.6 |
250 |
2700 |
11 |
460 |
76 |
6 |
|
G |
| 150FLJ6(N) |
380 |
1 |
50 |
0.95 |
330 |
2700 |
11 |
460 |
76 |
6 |
1.8/500 |
G |
| 150FLJ7(N) |
220 |
1 |
50 |
1.6 |
330 |
2700 |
11 |
460 |
76 |
6 |
5/500 |
G |
|
| |
 |
 |
|
|
| 使用环境条件:温度-40度-80度,相对湿度不大于90%(25度时)海拔高度2500mm |
| 型号 |
电压(V) | 频率Hz | 相数 |
输入功率W | 电流AMP | 转速r/min | 风量m3/min | 静压Pa | 噪音db | 重量kg | 电容uF/v | 轴承型式Bearing Type |
| 150FLJ15(W) |
380 |
1 |
50 |
0.65 |
240 |
2600 |
9.5 |
430 |
75 |
3.5 |
1.8/630 |
G |
| 150FLJ16(W) |
380 |
3 |
50 |
0.55 |
240 |
2600 |
9.5 |
430 |
75 |
3.5 |
|
G |
| 150FLJ17(W) |
220 |
1 |
50 |
1.1 |
240 |
2600 |
9.5 |
430 |
75 |
3.5 |
5/500 |
G |
|
| |
 |
 |
 |
|
|
| 使用环境条件:温度-40度-55度,相对湿度不大于90%(25度时)海拔高度2500mm |
| 型号 |
电压(V) | 频率Hz | 相数 |
输入功率W | 电流AMP | 转速r/min | 风量m3/min | 静压Pa | 噪音db | 重量kg | 电容uF/v | 轴承型式Bearing Type |
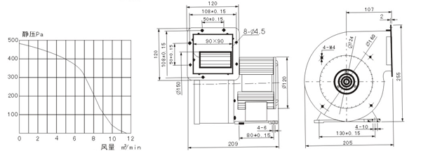
| 165FLJ1(N) |
380 |
1 |
50 |
2 |
450 |
2600 |
15 |
720 |
76 |
5/500 |
8 |
G |
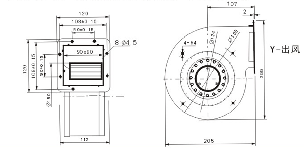
| 165FLJ2(N) |
380 |
1 |
50 |
1.2 |
400 |
2600 |
15 |
720 |
76 |
2/600 |
8 |
G |
| 165FLJ3(N) |
380 |
3 |
50 |
1.1 |
400 |
2600 |
15 |
720 |
76 |
|
8 |
G |
| 165FLJ1(W) |
220 |
1 |
50 |
1.5 |
300 |
2600 |
13 |
700 |
76 |
5/500 |
6 |
G |
| 165FLJ2(W) |
380 |
1 |
50 |
0.65 |
300 |
2600 |
13 |
700 |
76 |
2/630 |
6 |
G |
| 165FLJ3(W) |
380 |
3 |
50 |
0.7 |
300 |
2600 |
13 |
700 |
76 |
|
6 |
G |
| 205FLJ1(n) |
220 |
1 |
50 |
2.2 |
550 |
2600 |
18 |
780 |
76 |
5/500 |
9 |
G |
| 205FLJ2(n) |
380 |
1 |
50 |
1.3 |
500 |
2600 |
18 |
780 |
76 |
2/600 |
9 |
G |
| 205FLJ3(n) |
380 |
3 |
50 |
1.2 |
500 |
2600 |
18 |
780 |
76 |
|
9 |
G |
| 205FLJ1(W) |
220 |
1 |
50 |
0.9 |
190 |
1300 |
15 |
230 |
68 |
5/500 |
6.5 |
G |
| 205FLJ2(W) |
380 |
1 |
50 |
0.5 |
190 |
1300 |
15 |
230 |
68 |
27/630 |
6.5 |
G |
| 205FLJ3(W) |
380 |
3 |
50 |
0.4 |
190 |
1300 |
15 |
230 |
68 |
|
6.5 |
G |
|
| |
 |
 |
|