产品分类
        FZY-N系列排风扇
        FZL-W系列排风扇
  当前位置: 产品展示

·概述

    该系列风机外壳成圆筒形,风叶与电机构成一体,并通过法兰安装,因而具有体积小、重量轻、安装方便等特点,并具有噪声低、振动小、运行可靠等优良性能。该风机主要用于地面自动控制装置、电子设备、医疗设备、计算机、办公自动化等通风散热之用。

使用环境条件:温度-40度-55度,相对湿度不大于90%(25度时)海拔高度2500mm
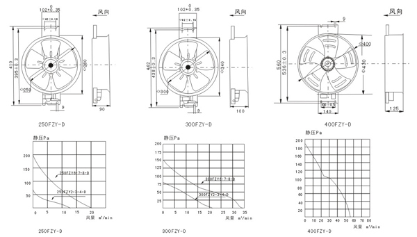
型号 电压(V)频率Hz相数 输入功率W电流AMP转速r/min风量m3/min噪音db重量kg电容uF/v轴承型式Bearing Type
150FZY1-D 220 50 1 20 0.10 1300 2.5 50 1.0 0.47/500 G
150FZY2-D 220 50 1 30 0.15 2500 5.5 65 1.0 1/500 G
150FZY4-D 380 50 3 30 0.09 2500 5.5 65 1.0   G
150FZY7-D 380 50 1 30 0.09 2500 5.5 60 1.0 0.33/600 G
150FZY8-D 220 50 1 30 0.18 2500 6.0 60 0.9 1.0/400 G
200FZY1-D 220 50 1 25 0.15 1200 6.5 60 2.0 2/500 G
200FZY2-D 220 50 1 65 0.3 2300 13 70 2.0 1/500 G
200FZY3-D 380 50 3 25 0.08 1200 6.5 60 2.0   G
200FZY4-D 380 50 3 65 0.18 2300 13 70 2.0   G
200FZY7-D 380 50 1 65 0.2 2300 13 70 2.0 1/630 G
 
型号/尺寸 DD1D2 dHL
150FZY-D反 150 160 170±0.5 5 4 50
150FZY-D 150 160 170±0.5 5 4 60
200FZY-D 200 210 235±0.5 7 6 72
 
型号 电压(V)频率Hz相数 输入功率W电流AMP转速r/min风量m3/min噪音db重量kg电容uF/v轴承型式Bearing Type
250FZY2-D 220 50 1 40 0.18 1300 12 60 2.9 1/500 G
250FZY3-D 380 50 3 40 0.12 1300 12 60 2.9   G
250FZY4-D 380 50 1 40 0.12 1300 12 60 2.9 0.33/630 G
250FZY6-D 220 50 1 100 0.5 2600 20 72 2.9 4/500 G
250FZY6-DB 220 50 1 100 0.5 2600 20 72 2.9 4/500 G
250FZY7-D 380 50 3 100 0.2 2600 20 72 2.9   G
250FZY8-D 380 50 1 100 0.35 2600 20 72 2.9 2/630 G
300FZY2-D 220 50 1 80 0.4 1300 22 65 3.8 4/500 G
300FZY3-D 380 50 3 80 0.2 1300 22 65 3.8   G
300FZY4-D 380 50 1 80 0.22 1300 22 65 3.8 2/630 G
300FZY6-D 220 50 1 200 0.95 2100 34 76 4.0 27/500 G
300FZY7-D 380 50 3 200 0.55 2100 34 76 4.0   G
300FZY8-D 380 50 1 200 0.5 210 34 76 4.0 1/630 G
400FZY2-D 220 50 1 180 0.85 1300 55 74 8.0 5/500 G
400FZY3-D 380 50 3 180 0.45 1300 55 74 8.0   G
400FZY4-D 380 50 1 180 0.5 1300 55 74 8.0 27/500 G
 
 
使用环境条件:温度-40度-80度,相对湿度不大于90%(25度时)海拔高度2500mm
 
 
 
苏州大华电讯电机厂     联系人:王豪:15952409311  E-Mail:wanghao45@126.com   电话:0512-52477305
邮  编:215562     E - mail:cy@sz-dahuadxdj.com      传真:0512-52477385
地址:江苏省常熟市杨园工业园    技术支持:苏州商赢科技