产品分类
        FZY-N系列排风扇
        FZL-W系列排风扇
  当前位置: 产品展示

·概述

    本风机转子异步电动机与叶轮,蜗壳等组合而具有结构紧凑,风量大、风压高等特点,可广泛用于各种自动控制装置,电子设备的强迫通风,也可用于净化,空调室内管道除尘、排气、排热,环境保护和污染控制等方面。

使用环境条件:温度-40度-80度,相对湿度不大于90%(25度时)海拔高度2500mm
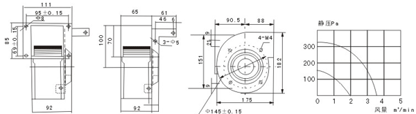
型号 电压(V)频率Hz相数 输入功率W电流AMP转速r/min风量m3/min噪音db重量kg电容uF/v轴承型式Bearing Type
100FLJ2 220 50 1 36 0.18 2100 1.7 50 1.0 1.5/500 G
100FLJ3 380 50 3 36 0.11 2100 1.7 50 1.0   G
100FLJ4 380 50 1 36 0.11 2100 1.7 50 1.0 0.8/630 G
100FLJ0 220 50 1 36 0.30 2100 2.4 50 1.8 1.8/630 G
 
100FLJ
使用环境条件:温度-40度-80度,相对湿度不大于90%(25度时)海拔高度2500mm
 
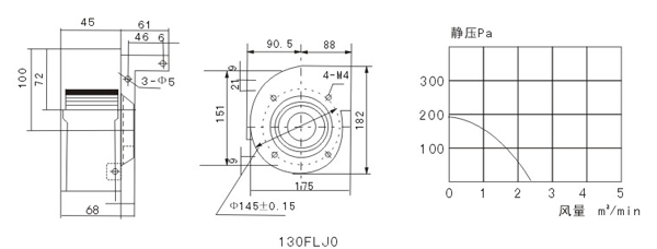
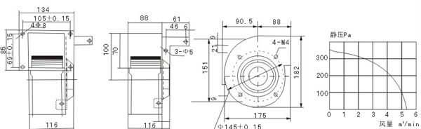
130FLJ
使用环境条件:温度-40度-80度,相对湿度不大于90%(25度时)海拔高度2500mm
型号 电压(V)频率Hz相数 输入功率W电流AMP转速r/min风量m3/min噪音db重量kg电容uF/v轴承型式Bearing Type
130FLJ1 220 50 1 85 0.4 2200 3.6 70 2.3 2.2/500 G
130FLJ2 110 50 1 85 0.8 2200 3.6 70 2.3 4/500 G
130FLJ3 380 50 3 85 0.25 2200 3.6 70 2.3 1/630 G
130FLJ4 220 50 1 40 0.2 1300 2.0 60 2.3 1/450 G
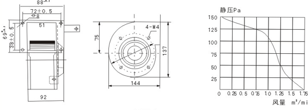
130FLJ5 220 50 1 120 0.55 2600 5.5 72 3 2.7/500 G
130FLJ6 110 50 1 120 1.2 2600 5.5 72 3 8/250 G
130FLJ7 380 50 1 120 0.35 2600 5.5 72 3   G
130FLJ8 380 50 3 120 0.3 2600 5.5 72 3 1.5/630 G
 
130FLJ1-J4
使用环境条件:温度-40度-80度,相对湿度不大于90%(25度时)海拔高度2500mm
 
130FLJ5-J8
上一页   下一页
 
苏州大华电讯电机厂     联系人:王豪:15952409311  E-Mail:wanghao45@126.com   电话:0512-52477305
邮  编:215562     E - mail:cy@sz-dahuadxdj.com      传真:0512-52477385
地址:江苏省常熟市杨园工业园    技术支持:苏州商赢科技