 产品分类 |
 |
|
当前位置: 产品展示 |
|
| 使用环境条件:温度-40度-55度,相对湿度不大于90%(25度时)海拔高度2500mm |
| 型号 |
电压(V) | 频率Hz | 相数 |
输入功率W | 电流AMP | 转速r/min | 风量m3/min | 噪音db | 重量kg | 电容uF/v | 轴承型式Bearing Type |
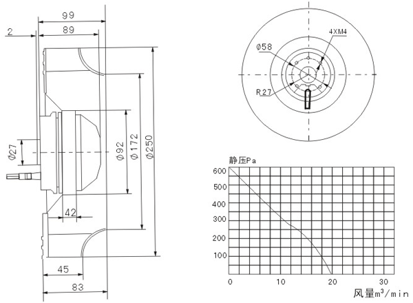
| 225FLW6 |
220 |
50 |
1 |
130 |
0.6 |
2500 |
18 |
460 |
2 |
3.3/500 |
G |
| 225FLW7 |
380 |
50 |
3 |
110 |
0.32 |
2500 |
18 |
460 |
2 |
|
G |
|
| |
 |
|
|
| 型号 |
电压(V) | 频率Hz | 相数 |
输入功率W | 电流AMP | 转速r/min | 风量m3/min | 静压Pa | 噪音db | 重量kg | 电容uF/v | 轴承型式Bearing Type |
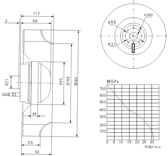
| 250FLW6 |
220 |
50 |
1 |
130 |
0.6 |
2400 |
19.8 |
500 |
65 |
2 |
3.3/500 |
G |
| 250FLW7 |
380 |
50 |
3 |
110 |
0.3 |
2400 |
19.8 |
500 |
65 |
2 |
|
G |
|
| |
 |
|
|
| 使用环境条件:温度-40度-55度,相对湿度不大于90%(25度时)海拔高度2500mm |
| 型号 |
电压(V) | 频率Hz | 相数 |
输入功率W | 电流AMP | 转速r/min | 风量m3/min | 噪音db | 重量kg | 电容uF/v | 轴承型式Bearing Type |
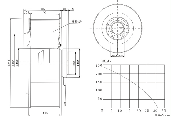
| 280FLW6 |
220 |
50 |
1 |
250 |
1.4 |
2500 |
31 |
700 |
68 |
3 |
5/500 |
G |
| 280FLW7 |
380 |
50 |
3 |
250 |
0.6 |
2500 |
31 |
700 |
68 |
3 |
|
G |
|
| |
 |
|
|
| 使用环境条件:温度-40度-55度,相对湿度不大于90%(25度时)海拔高度2500mm |
| 型号 |
电压(V) | 频率Hz | 相数 |
输入功率W | 电流AMP | 转速r/min | 风量m3/min | 噪音db | 重量kg | 电容uF/v | 轴承型式Bearing Type |
| 310FLW2 |
220 |
50 |
1 |
130 |
0.65 |
1300 |
31 |
280 |
65 |
4 |
3.3/500 |
G |
| 310FLW3 |
380 |
50 |
3 |
120 |
0.35 |
1300 |
31 |
280 |
65 |
4 |
|
G |
|
| |
 |
|
|
| 上一页 下一页 |
|